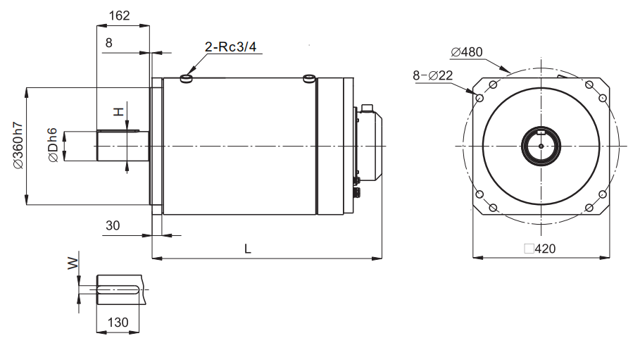
450 mm (44KW-82KW)
Author: admin Viewed: 6453【Close】
2017-08-22 11:09:22
UNITE:MMFlame size 450mm (Direct-driven low speed liquid cooling) Model
Rated
torqueRated
voltageRated
speedRated
powerRated
currentKt
Ke
Max.
speedMax.
torqueRoter
inertiaPoles
Weight
L
LengthN.m
Vac
rpm
kW
A
N.m/A
V/krpm
rpm
N.m
Kg.cm²
Poles
Kg
mm
450H44D35B
1200
380
350
44
106
12.1
730
400
3600
6140
8
440
628
450H59D35B
1600
380
350
59
137
12.4
748
400
4800
7980
8
510
728
450H82D35B 2250 380 350 82 197 12.1 732 400 6750 10324 8 620 888 Motor insulation: class-H; Thermal protection: PTC100 with KTY optional; Protection grade: IP65 except terminal box; Wiring method:terminal box; Cooling method: liquid cooling; Working standard: long-term, S1 【V2.0】

- 360,450mm servo motor (direct driven)
