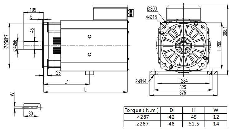
260mm(30KW-115KW)
Author: admin Viewed: 12109【Close】
2017-04-25 15:05:10
UNITE:MM
Flame size 260 V2.2 Model Rated
torqueRated
voltageRated
speedRated
powerRated
currentKt Ke Max.
speedMax.
torqueRoter
inertiaPoles Weight L
LengthN.m Vac rpm kW A N.m/A V/krpm rpm N.m Kg.cm² Poles Kg mm 260H30D15C 191 380 1500 30 63 3.3 198 2000 573 386 8 95 468 260H34D17C 191 380 1700 34 69 3.0 180 2300 573 386 8 95 468 260H40D20C 191 380 2000 40 81 2.5 153 2500 573 386 8 95 468 260H33D15C 208 380 1500 33 67 3.4 204 2000 624 434 8 105 488 260H37D17C 208 380 1700 37 74 3.0 183 2300 624 434 8 105 488 260H44D20C 208 380 2000 44 89 2.5 153 2500 624 434 8 105 488 260H37D15C 236 380 1500 37 75 3.4 204 2000 708 482 8 112 508 260H42D17C 236 380 1700 42 85 3.0 181 2300 708 482 8 112 508 260H50D20C 236 380 2000 50 105 2.4 147 2500 708 482 8 112 508 260H42D15C 264 380 1500 42 84 3.4 204 2000 792 542 8 123 533 260H47D17C 264 380 1700 47 96 3.0 179 2300 792 542 8 123 533 260H56D20C 264 380 2000 56 112 2.5 153 2500 792 542 8 123 533 260H45D15C 287 380 1500 45 94 3.3 199 2000 861 601 8 134 558 260H51D17C 287 380 1700 51 101 3.1 185 2300 861 601 8 134 558 260H60D20C 287 380 2000 60 120 2.6 156 2500 861 601 8 134 558 260H50D15C 315 380 1500 50 103 3.3 200 2000 945 649 8 141 578 260H56D17C 315 380 1700 56 111 3.1 185 2300 945 649 8 141 578 260H66D20C 315 380 2000 66 134 2.5 154 2500 945 649 8 141 578 260H55D15C 350 380 1500 55 118 3.2 195 2000 1050 745 8 155 618 260H62D17C 350 380 1700 62 129 2.9 177 2300 1050 745 8 155 618 260H73D20C 350 380 2000 73 144 2.6 159 2500 1050 745 8 155 618 260H66D15C 420 380 1500 66 142 3.2 193 2000 1260 900 8 174 698 260H75D17C 420 380 1700 75 160 2.8 172 2300 1260 900 8 174 698 260H88D20C 420 380 2000 88 183 2.5 150 2500 1260 900 8 174 698 260H75D15C 480 380 1500 75 158 3.3 199 2000 1440 1043 8 200 765 260H85D17C 480 380 1700 85 180 2.9 174 2300 1440 1043 8 200 765 260H10E20C 480 380 2000 100 211 2.5 150 2500 1440 1043 8 200 765 260H90D15C 570 380 1500 90 184 3.4 203 2000 1710 1210 8 210 835 260H10E17C 560 380 1700 100 211 2.9 174 2300 1680 1210 8 210 835 260H11E20C 550 380 2000 115 249 2.4 145 2500 1650 1210 8 210 835 Motor insulation: class-H; Thermal protection: PTC100 with KTY optional; Protection grade: IP65 except fan cover Wiring method: Plug or terminal box; Cooling method: fan cooling; fan voltage: 220V; Working standard: long-term, S1 【V2.0】
- 260mm(forced air cooling)
