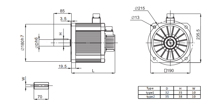
190mm (3.3KW-11KW)
Author: admin Viewed: 9268【Close】
2017-04-25 15:12:38
UNITE:MM

Flame size 190mm Model RatedTorqueRatedVoltageRatedSpeedRatedPowerRatedCurrentKt Ke Max.SpeedMax.TorqueRotorInertiaPoles Weight Length Length(with braker)N.m Vac rpm kW A N.m/A V/krpm rpm N.m Kg.cm² poles Kg mm mm 190H33C15C 21 380 1500 3.3 8.2 2.9 175 2000 63 40 10 16 208 268 190H44C20C 21 380 2000 4.4 10.2 2.3 140 2500 63 40 10 16 208 268 190H55C25C 21 380 2500 5.5 13.0 1.8 110 3000 63 40 10 16 208 268 190H65C30C 21 380 3000 6.5 15.3 1.5 93 3600 63 40 10 16 208 268 190H40C15C 26 380 1500 4.0 9.4 3.0 183 2000 78 47 10 18 208 268 190H55C20C 26 380 2000 5.5 13.2 2.2 135 2500 78 47 10 18 208 268 190H70C25C 26 380 2500 7.0 16.8 1.8 108 3000 78 47 10 18 208 268 190H80C30C 26 380 3000 8.0 19.3 1.5 90 3600 78 47 10 18 208 268 190H55C15C 35 380 1500 5.5 12.6 3.1 189 2000 105 68 10 23 238 338 190H75C20C 35 380 2000 7.5 17.0 2.4 144 2500 105 68 10 23 238 338 190H90C25C 35 380 2500 9.0 20.9 1.9 113 3000 105 68 10 23 238 338 190H11D30C 35 380 3000 11 22.5 1.8 108 3600 105 95 10 30 278 338 190H75C15C 48 380 1500 7.5 16.7 3.2 195 2000 144 95 10 30 278 338 电机绝缘等级:H 热保护:PT100,KTY可选 防护等级:IP65 接线方式:航空插头 冷却方式:自然冷却 抱闸:可选 工作制:S1 【V2.0】

- 190mm servo motor(natural cooling)
