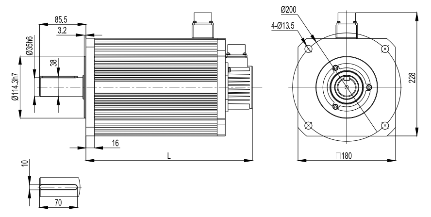
180mm(3kW-10kW)
Author: admin Viewed: 4696【Close】
2022-01-13 14:30:52
UNITE:MM
Flame size 180mm Model Rated
TorqueRated
VoltageRated
SpeedRated
PowerRated
CurrentKt Ke Max.
SpeedMax.
TorqueRotor
InertiaPoles Weight Length Length
(with braker)N.m Vac rpm kW A N.m/A V/krpm rpm N.m Kg.cm² poles Kg mm mm 180H33C15C 21 380 1500 3.3 6.8 3.4 204 2000 63 46.2 10 20 228 270 180H44C20C 21 380 2000 4.4 9.0 2.5 154 2500 63 46.2 10 20 228 270 180H44C15C 28 380 1500 4.4 9.0 3.4 205 2000 84 59.4 10 24 248 290 180H60C20C 28 380 2000 5.9 11.8 2.6 156 2500 84 59.4 10 24 248 290 180H55C15C 35 380 1500 5.5 11.2 3.4 206 2000 105 72.5 10 27 268 310 180H75C20C 35 380 2000 7.3 14.8 2.6 156 2500 105 72.5 10 27 268 310 180H75C15C 48 380 1500 7.5 15.5 3.4 203 2000 143 98.8 10 30 308 350 180H10D20C 48 380 2000 10.0 20.2 2.6 156 2500 143 98.8 10 30 308 350 
- 180
