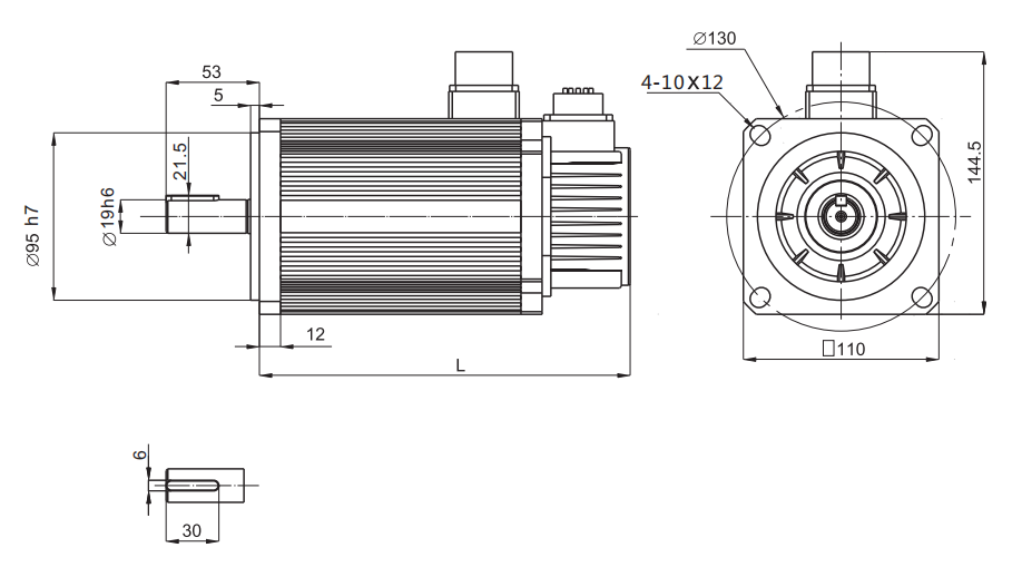
110mm (0.75KW-1.5KW)
Author: admin Viewed: 7924【Close】
2017-04-25 15:18:41
UNITE:MM
Flame size 110mm Model
Rated
torqueRated
voltageRated
speedRated
powerRated
currentKt
Ke
Max.
speedMax.
torqueRoter
inertiaPoles
Weight
L
Length1L
Length2N.m
Vac
rpm
kW
A
Nm/Arms
V/krpm
rpm
N.m
Kg.cm²
Poles
Kg
mm
mm
110A75B15C 4.8 220 1500 0.75 3.3 1.66 101 2000 14.3 7.6 8 6 183 238 110A10C25C
3.8
220
2500
1.0
3.9
1.04
63
3000
11.7
7.6
8
6
183
238
110A15C25C
5.8
220
2500
1.5
6.0
1.04
63
3000
17.4
11.5
8
8
219
274
Motor insulation: class-H; Protection grade: IP65 except terminal box; Braker optional; L Length1: Standard motor; L Length2: Motor with braker;
Working standard: long-term, S1 【V2.0】

- 110,130mm(natural cooling)
