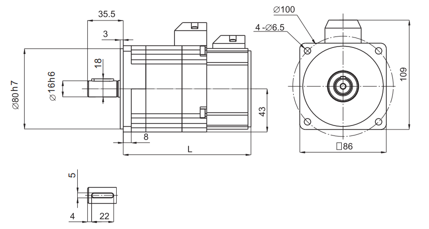
86/90mm (0.75KW)
Author: admin Viewed: 7048【Close】
2017-09-08 09:19:11
UNITE:MMFlame size 86/90mm Model
Rated
torqueRated
voltageRated
speedRated
powerRated
currentKt
Ke
Max.
speedMax.
torqueRoter
inertiaPoles
Weight
L
Length1L
Length2N.m
Vac
rpm
kW
A
N.m/A
V/krpm
rpm
N.m
Kg.cm²
Poles
Kg
mm
mm
86A75B30C
2.4
220
3000
0.75
3.0
0.86
52
4000
7.2
1.6
8
3
128
183
86A75B15C
4.8
220
1500
0.75
3.4
1.52
92
2000
14.4
3.2
8
5
163
218
Motor insulation: class-H; Protection grade: IP65 except terminal box; Braker optional; L Length1: Standard motor; L Length2: Motor with braker;
Working standard: long-term, S1 【V2.0】

- 60,80,90mm servo motor(natural cooling)
