360 mm (90KW-240KW)
Author: admin Viewed: 5059【Close】
2017-08-24 16:09:01

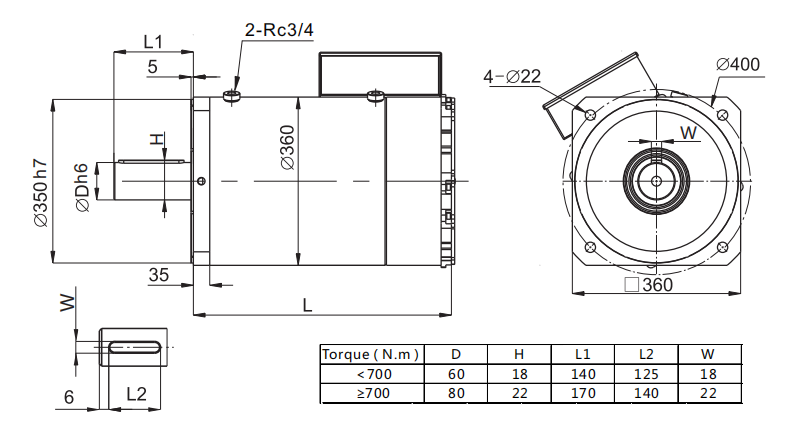
UNITE:MM
Flame size 360mm (liquid cooling) Model
Rated
torqueRated
voltageRated
speedRated
powerRated
currentKt
Ke
Max.
speedMax.
torqueRoter
inertiaPoles
Weight
L
LengthN.m
Vac
rpm
kW
A
N.m/A
V/krpm
rpm
N.m
Kg.cm²
Poles
Kg
mm
360H90D15C
580
380
1500
90
196
3.2
195
2000
1740
2519
8
327
855
360H11E15C
700
380
1500
110
238 3.2
194
2000
2100
2907
8
333
855
360H13E15C
830 380
1500
130
269
3.4
204
2000
2490
3295 8
340
855
360H16E15C 1020 380 1500 160 347 3.2 194 2000 3060 4168 8 402 1045 360H20E15C 1280 380 1500 200 422 3.3 200 2000 3840 4943 8 415 1045 360H11E20C 530 380 2000 111 196 2.6 160 2000 1590 2519 8 327 855 360H13E20C 650 380 2000 136 238 2.5 151 2000 1950 2907 8 333 855 360H16E20C 770 380 2000 161 269 2.5 153 2000 2310 3295 8 340 855 360H19E20C 950 380 2000 199 347 2.7 162 2000 2850 4168 8 402 1045 360H24E20C 1150 380 2000 240 422 2.7 160 2000 3450 4943 8 415 1045 Motor insulation: class-H; Thermal protection: PTC100 with KTY optional; Protection grade: IP65 except terminal box; Wiring method:junction box; Cooling method: liquid cooling; working standard: long-term,S1 【V2.0】
- 360,450mm servo motor (liquid cooling)
