450 mm (110KW-314KW) (V2.0)
Author: admin Viewed: 4819【Close】
2017-08-24 16:10:07
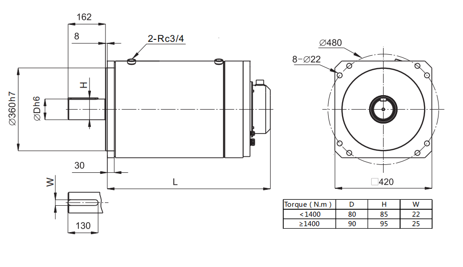
UNITE:MMFlame size 450mm (liquid cooling) Model
Rated
torqueRated
voltageRated
speedRated
powerRated
currentKt
Ke
Max.
speedMax.
torqueRoter
inertiaPoles
Weight
L
LengthN.m
Vac
rpm
kW
A
N.m/A
V/krpm
rpm
N.m
Kg.cm²
Poles
Kg
mm
450H11E15C
700
380
1500
110
244
3.1
187
2000
2100
4300
8
370
528
450H16E15C
1000
380
1500
157
330
3.2
196
2000
3000
6140
8
440
628
450H22E15C
1400
380
1500
220
488
3.1
187
2000
4200
7980
8
510
728
450H31E15C
2000
380
1500
314
622
3.5 209 2000 4000 10324 8 622 888 Motor insulation: class-H; Thermal protection: PTC100 with KTY optional; Protection grade: IP65 except terminal box; Wiring method: Terminal box; Cooling method: liquid cooling; working standard: long time,S1 【V2.0】

-
360,450mm(liquid cooling)
